Válvula de clapeta - Brida
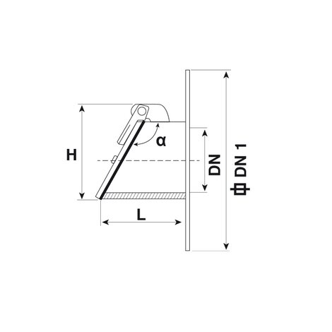
La válvula antirretorno de Clapeta se instala en tuberías de desagüe de aguas blancas y permite el flujo normal del agua hacia las masas de agua, impidiendo el reflujo.
Su funcionamiento se basa en la apertura de un clapet accionado por el empuje del agua procedente del desagüe.
El peso propio y la inclinación de 11° del clapet aseguran el cierre automático, evitando el retorno del agua cuando el flujo se invierte.
| Referencia | Unidades por caja | DN (mm) | hMm | DN1 (mm) | S (mm) | lMm | α | Diseño |
|---|---|---|---|---|---|---|---|---|
| P551002 | 1 | 110 | 140 | 195x195 | 5 | 145 | 11° | Tipo A |
| P551202 | 1 | 125 | 155 | 195x195 | 5 | 165 | 11° | Tipo A |
| P551602 | 1 | 160 | 190 | 195x195 | 5 | 180 | 11° | Tipo A |
| P552501 | 1 | 250 | 280 | 320x320 | 5 | 260 | 11° | Tipo B |
| P553001 | 1 | 315 | 350 | 370x370 | 6 | 300 | 11° | Tipo B |
| P554001 | 1 | 400 | 430 | 480x480 | 8 | 350 | 11° | Tipo C |
| P555001 | 1 | 500 | 530 | 600x600 | 10 | 400 | 11° | Tipo C |
| P556301 | 1 | 630 | 660 | 730x730 | 12 | 500 | 11° | Tipo C |