TRIV
TRIV - ISO-UNI - extremos iguales
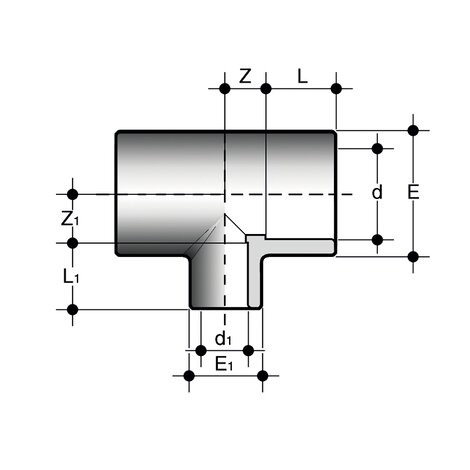
accesorios para unión - extremos iguales.
Extremo de encaje Ti 90° reducido para unión con derivación reducida.
| Referencia | d x d1 | PN | E | E1 |
L | L1 | Z | Z1 | g |
|---|---|---|---|---|---|---|---|---|---|
| TRIV025020 | 25 x 20 | 16 | 33 | 28 | 19 | 16 | 14 | 14 | 37 |
| TRIV032020 | 32 x 20 | 16 | 41 | 28 | 22 | 16 | 17,5 | 17,5 | 60 |
| TRIV032025 | 32 x 25 | 16 | 41 | 34 | 22 | 19 | 17,5 | 17,5 | 65 |
| TRIV040020 | 40 x 20 | 16 | 50 | 29 | 26 | 16 | 22 | 22 | 100 |
| TRIV040025 | 40 x 25 | 16 | 50 | 34 | 26 | 19 | 22 | 22 | 100 |
| TRIV040032 | 40 x 32 | 16 | 50 | 42 | 26 | 22 | 22 | 22 | 105 |
| TRIV050020 | 50 x 20 | 16 | 61 | 30 | 31 | 16 | 27 | 27 | 160 |
| TRIV050025 | 50 x 25 | 16 | 61 | 35 | 31 | 19 | 27 | 27 | 160 |
| TRIV050032 | 50 x 32 | 16 | 61 | 42 | 31 | 22 | 27 | 27 | 165 |
| TRIV050040 | 50 x 40 | 16 | 61 | 51 | 31 | 26 | 27 | 27 | 170 |
| TRIV063025 | 63 x 25 | 16 | 76 | 36 | 38 | 19 | 33,5 | 33,5 | 290 |
| TRIV063032 | 63 x 32 | 16 | 76 | 43 | 38 | 22 | 33,5 | 33,5 | 295 |
| TRIV063040 | 63 x 40 | 16 | 76 | 52 | 38 | 26 | 33,5 | 33,5 | 300 |
| TRIV063050 | 63 x 50 | 16 | 76 | 62 | 38 | 31 | 33,5 | 33,5 | 315 |
| TRIV075032 | 75 x 32 | 16 | 91 | 41 | 44 | 22 | 40 | 40 | 530 |
| TRIV075040 | 75 x 40 | 16 | 91 | 50 | 44 | 26 | 40 | 40 | 540 |
| TRIV075050 | 75 x 50 | 16 | 91 | 61 | 44 | 31 | 40 | 40 | 550 |
| TRIV075063 | 75 x 63 | 16 | 91 | 76 | 44 | 38 | 40 | 40 | 580 |
| TRIV090040 | 90 x 40 | 16 | 109 | 50 | 51 | 26 | 48 | 48 | 870 |
| TRIV090050 | 90 x 50 | 16 | 109 | 61 | 51 | 31 | 48 | 48 | 880 |
| TRIV090063 | 90 x 63 | 16 | 109 | 76 | 51 | 38 | 48 | 48 | 900 |
| TRIV090075 | 90 x 75 | 16 | 109 | 91 | 51 | 44 | 48 | 48 | 940 |
| TRIV110050 | 110 x 50 | 16 | 133 | 61 | 61 | 31 | 61 | 61 | 1580 |
| TRIV110063 | 110 x 63 | 16 | 133 | 76 | 61 | 38 | 61 | 61 | 1590 |
| TRIV110075 | 110 x 75 | 16 | 133 | 91 | 61 | 44 | 61 | 61 | 1610 |
| TRIV110090 | 110 x 90 | 16 | 133 | 109 | 61 | 51 | 61 | 61 | 1640 |
| TRIV160110 | 160 x 110 | 16 | 187 | 131 | 86 | 61 | 82 | 81 | 3700 |
| TRIV250110 | *250 x 110 | 10 | 285 | 134 | 129 | 63 | 61 | 128 | 8300 |
| TRIV250160 | *250 x 160 | 10 | 285 | 193 | 129 | 87 | 86 | 129 | 9900 |
| TRIV250200 | *250 x 200 | 10 | 285 | 228 | 129 | 106 | 133 | 132 | 12000 |
| TRIV280225 | *280 x 225 | 10 | 320 | 258 | 146 | 117,5 | 117 | 150,5 | 14900 |
| TRIV315200 | *315 x 200 | 8 | 355 | 228 | 164 | 106 | 102 | 179 | 17500 |
| TRIV315250 | *315 x 250 | 8 | 355 | 285 | 164 | 131 | 127 | 160 | 19200 |